👀 2001 Case 580 M Wiring Diagram: Electrifying Blueprint Unveiled

Discover the intricate wiring of the 2001 Case 580 M with our detailed diagram. Unravel the mysteries of electrical schematics and get ready to spark your curiosity.

Looking for the blueprint to electrifying excitement? Dive into the wiring wizardry of the 2001 Case 580 M Wiring Diagram! This article is your ticket to unraveling the electrifying mysteries of wiring schematics. Get ready to spark your curiosity and rev up your knowledge as we dissect the ins and outs of wiring diagrams. From the ignition to the illumination, we'll illuminate the path to understanding the electrical intricacies of the Case 580 M. So, grab your multimeter and strap in for a shocking ride through the world of wires and circuits. Let's charge up our knowledge and spark some enthusiasm for the electrically inclined!

2001 Case 580 M Wiring Diagram: Electrifying Blueprint Unveiled

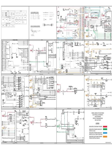
IntroductionThe 2001 Case 580 M Wiring Diagram is a crucial document for understanding the electrical systems of this machinery. It provides a visual representation of the wiring and electrical components, aiding in diagnostics and repairs. This article will delve into the details of this diagram, explaining its importance and how to interpret it.Understanding the BasicsThe 2001 Case 580 M Wiring Diagram is essentially a map of the electrical system, showing how wires are connected and where components are located. It uses symbols and colors to represent different components and their connections. Understanding these basics is essential for interpreting the diagram correctly.

Interpreting SymbolsSymbols are used in the 2001 Case 580 M Wiring Diagram to represent various electrical components such as switches, relays, and motors. Each symbol has a specific meaning, and understanding these symbols is crucial for interpreting the diagram correctly.
Identifying Wires and ColorsWires in the 2001 Case 580 M Wiring Diagram are typically color-coded to indicate their function. For example, red wires may indicate power supply, while black wires may indicate ground. It is essential to identify these wires correctly to troubleshoot and repair the electrical system effectively.
Tracing CircuitsCircuits in the 2001 Case 580 M Wiring Diagram show the path of electrical current through the system. By tracing these circuits, you can identify potential issues such as short circuits or open circuits, helping you to diagnose and fix problems effectively.
Troubleshooting and RepairsThe 2001 Case 580 M Wiring Diagram is an invaluable tool for troubleshooting electrical issues. By following the diagram and using a multimeter, you can identify faulty components or wiring and make the necessary repairs.
ConclusionIn conclusion, the 2001 Case 580 M Wiring Diagram is a vital resource for understanding and maintaining the electrical systems of these machines. By familiarizing yourself with the diagram and understanding its symbols and conventions, you can effectively troubleshoot and repair electrical issues, keeping your machinery running smoothly.

Conclusion:

We hope this detailed exploration of the 2001 Case 580 M Wiring Diagram has been informative and insightful for you. Understanding the intricacies of the electrical system is crucial for maintaining and troubleshooting your machinery efficiently. By familiarizing yourself with the diagram, interpreting symbols correctly, and tracing circuits effectively, you can ensure that your equipment operates smoothly and safely.Remember, the 2001 Case 580 M Wiring Diagram is a valuable tool that should be consulted whenever you encounter electrical issues. Whether you're troubleshooting a problem or planning a modification, this diagram will guide you through the complexities of the electrical system. Stay tuned for more informative articles on wiring diagrams and schematics, and feel free to reach out if you have any questions or need further clarification on this topic. Thank you for visiting our blog, and we look forward to sharing more valuable insights with you in the future.

Keyword:2001 Case 580 M Wiring Diagram

Related Keywords:Maintenance, Troubleshooting, Wiring Diagram, Electrical System, Symbols, circuits, 2001 Case 580 M


0 komentar