🔴 2000 Jetta Door Wiring Diagram: Master Your Electrical System

Discover the intricate wiring of your 2000 Jetta's doors with this detailed diagram. Understand the electrical system for efficient repairs and maintenance.

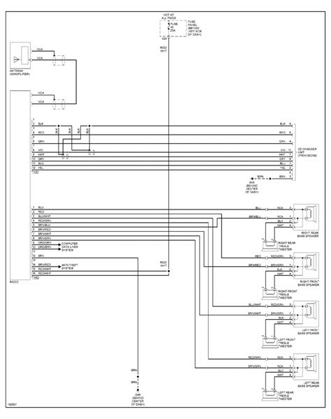
The 2000 Jetta Door Wiring Diagram is a crucial component for understanding the electrical systems in Volkswagen's Jetta model. This schematic diagram provides a detailed illustration of the wiring connections and components within the vehicle's doors, offering invaluable insights for technicians and enthusiasts alike. By dissecting the complexities of the wiring layout, individuals can gain a deeper comprehension of the Jetta's electrical infrastructure, facilitating more efficient diagnostics and repairs. This article delves into the intricacies of the 2000 Jetta's door wiring, unraveling its schematic intricacies to empower readers with a comprehensive understanding of the vehicle's electrical framework.Unlock the mysteries of your 2000 Jetta's electrical systems with the door wiring diagram, shedding light on the intricate network of wires and components within your vehicle's doors. Understanding these diagrams is essential for anyone tasked with maintaining or repairing their Jetta's electrical systems, providing a roadmap for troubleshooting and repairs. Discover the inner workings of your Jetta's electrical systems through this detailed and informative wiring diagram, offering a glimpse into the sophisticated engineering behind Volkswagen's renowned vehicle lineup.

2000 Jetta Door Wiring Diagram: Master Your Electrical System

Introduction

The 2000 Jetta Door Wiring Diagram is a vital resource for understanding the electrical systems within the doors of Volkswagen's Jetta model. This comprehensive diagram provides a detailed overview of the wiring connections and components, offering valuable insights for technicians and enthusiasts alike.

Understanding the Wiring Diagram

Understanding the Wiring Diagram is essential for anyone looking to delve deeper into their Jetta's electrical systems. This diagram provides a roadmap for the complex network of wires and components within the doors, aiding in diagnostics and repairs.

Components and Connections

Components and Connections depicted in the diagram showcase the intricate wiring layout of the Jetta's doors. By studying these connections, one can gain a better understanding of how each component interacts within the electrical system.

Diagnostic and Repair

Diagnostic and Repair processes are made easier with the help of the wiring diagram. Technicians can use this diagram to pinpoint issues and perform repairs with precision, saving time and effort.

Efficient Maintenance

Efficient Maintenance of your Jetta's electrical system is possible with the aid of this wiring diagram. By understanding the wiring layout, you can ensure that your vehicle remains in optimal condition.

Enhanced Safety

Enhanced Safety is another benefit of understanding your Jetta's wiring diagram. By maintaining a properly functioning electrical system, you can reduce the risk of electrical failures and potential hazards.

Optimal Performance

Optimal Performance of your Jetta's electrical system is achievable with the insights provided by the wiring diagram. By ensuring that all components are properly connected and functioning, you can enjoy a smooth driving experience.

Conclusion

In Conclusion, the 2000 Jetta Door Wiring Diagram is an invaluable tool for anyone looking to understand and maintain their Jetta's electrical system. By studying this diagram, you can enhance your knowledge and ensure the optimal performance and safety of your vehicle.

Conclusion:

Thank you for exploring the intricacies of the 2000 Jetta Door Wiring Diagram with us. Understanding this diagram is crucial for maintaining and troubleshooting your Jetta's electrical system. By dissecting the components and connections within the doors, you gain valuable insights that can enhance your vehicle's performance and safety.

Whether you're a seasoned technician or an enthusiastic DIYer, the 2000 Jetta Door Wiring Diagram serves as a valuable resource. It provides a detailed roadmap for diagnosing and repairing electrical issues, ensuring that your Jetta remains in optimal condition. We hope this information empowers you to tackle electrical challenges with confidence and keep your Jetta running smoothly for years to come.

Keyword:2000 Jetta Door Wiring Diagram

Related Keywords:Maintenance, performance, Wiring Diagram, Electrical System, Components, 2000 Jetta, Door Wiring


0 komentar