🚀 2000 Astro Van Wiring Diagram: Master Your Electrical System

Discover the comprehensive 2000 Astro Van Wiring Diagram guide. Understand your vehicle's electrical system with detailed diagrams and schematics.

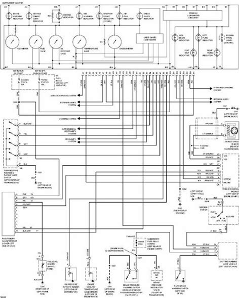
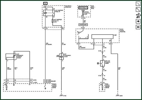
The 2000 Astro Van Wiring Diagram is a crucial tool for understanding the electrical system of this iconic vehicle. This diagram provides a visual representation of the wiring and electrical components, helping mechanics and enthusiasts alike to diagnose and repair issues effectively. By following the wiring diagram, individuals can trace circuits, locate components, and ensure proper connections, making it an invaluable resource for anyone working on their Astro Van. Additionally, the schematic diagram offers a detailed look at the electrical system, illustrating how components are connected and how they function together. Understanding this diagram is essential for maintaining, troubleshooting, and upgrading the electrical system of the 2000 Astro Van.

2000 Astro Van Wiring Diagram: Master Your Electrical System

Introduction

The 2000 Astro Van Wiring Diagram is an essential tool for anyone working on the electrical system of this vehicle. It provides a detailed overview of the wiring and electrical components, helping users understand the system's layout and connections.

Understanding the Wiring Diagram

Understanding the Wiring Diagram is key to effectively diagnosing and repairing electrical issues. The diagram illustrates how the various components are connected and how electricity flows through the system.

Locating Components

Locating Components is made easier with the wiring diagram. It provides clear guidance on where to find specific parts, helping users navigate the electrical system with confidence.

Tracing Circuits

Tracing Circuits is a fundamental aspect of electrical work. The wiring diagram enables users to follow the path of electricity, identifying any faults or issues along the way.

Diagnosing Problems

Diagnosing Problems is simplified with the wiring diagram. By understanding how the system should work, users can pinpoint the source of any electrical issues and take the appropriate action.

Repairing the System

Repairing the System is made more efficient with the wiring diagram. It provides the necessary information to make repairs correctly, ensuring the electrical system functions as intended.

Upgrading the System

Upgrading the System is possible with the wiring diagram. Users can refer to the diagram when installing new components or making modifications, ensuring compatibility and proper installation.

Conclusion

In Conclusion, the 2000 Astro Van Wiring Diagram is an invaluable resource for anyone working on the vehicle's electrical system. It provides the necessary guidance and information to diagnose, repair, and upgrade the system effectively.

Conclusion:

Thank you for exploring the intricacies of the 2000 Astro Van Wiring Diagram with us. We hope these articles have provided valuable insights into understanding and working with the electrical system of this iconic vehicle. Whether you're a seasoned mechanic or a DIY enthusiast, having a thorough understanding of the wiring diagram is essential for maintaining, diagnosing, and upgrading the electrical components of your Astro Van.

Remember, the wiring diagram serves as your roadmap to navigate through the complex network of wires and components, enabling you to efficiently trace circuits, locate components, and diagnose problems. With this knowledge, you can confidently tackle any electrical issue that arises and ensure that your Astro Van remains in top condition for years to come. Stay tuned for more insightful articles on wiring diagrams and schematic topics, and continue mastering the art of automotive electrical systems.

Keyword:2000 Astro Van Wiring Diagram

Related Keywords:Wiring Diagram, Electrical System, Automotive Wiring, diagram guide, 2000 Astro Van


0 komentar