😃 2 Speed Motor Wiring Diagram: Mastering Motor Control

2 Speed Motor Wiring Diagram: Explore the complexities of 2-speed motor control with detailed wiring diagrams and schematics. Understand the principles behind motor operation and circuitry configurations.

2 Speed Motor Wiring Diagram is a crucial component in understanding the intricate workings of electrical systems, particularly in industrial and commercial settings. This article delves into the wiring diagram and schematic topics surrounding 2-speed motors, shedding light on their complexities and applications. Exploring the intricacies of these diagrams can provide valuable insights into how these motors operate, offering a foundational understanding for those working in fields such as engineering, maintenance, or construction. By examining the 2-speed motor wiring diagram, individuals can grasp the principles behind motor control, voltage configurations, and circuitry arrangements. This knowledge is essential for troubleshooting, repairs, or installations involving 2-speed motors, making this article a valuable resource for professionals and enthusiasts alike.

2 Speed Motor Wiring Diagram: Mastering Motor Control

Introduction

2 Speed Motor Wiring Diagram is a vital aspect of understanding the intricate workings of 2-speed motors. These diagrams provide a visual representation of the electrical circuit and connections required to operate the motor at different speeds. Understanding these diagrams is essential for anyone working with motors, from maintenance technicians to engineers.

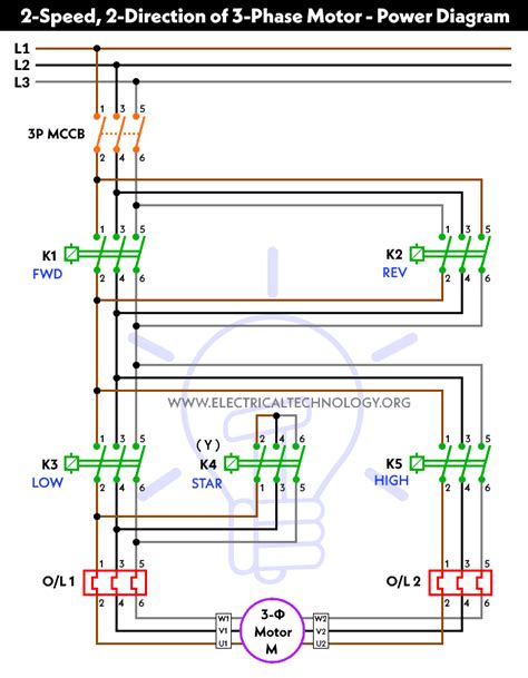
Components

Components of a 2-speed motor wiring diagram include the motor itself, along with various switches, relays, and wiring connections. These diagrams typically show the different terminals on the motor, as well as how they are connected to power sources and control devices.

Motor Control

Motor control is a key aspect of 2-speed motor wiring diagrams. These diagrams illustrate how different switches and relays are used to control the speed of the motor. Understanding motor control is essential for troubleshooting and repairing motor issues.

Voltage Configurations

Voltage configurations are another important element of 2-speed motor wiring diagrams. These diagrams show how the motor can be wired to operate at different voltages, allowing for greater flexibility in motor applications.

Circuitry Arrangements

Circuitry arrangements in 2-speed motor wiring diagrams depict how the various components are connected to form a complete electrical circuit. Understanding these arrangements is crucial for ensuring the motor operates safely and efficiently.

Troubleshooting Tips

Troubleshooting tips for 2-speed motors often involve referring to the wiring diagram. These diagrams can help identify faulty components or wiring connections that may be causing issues with motor operation.

Installation Guidelines

Installation guidelines for 2-speed motors typically include reference to the wiring diagram. Properly wiring the motor according to the diagram is crucial for ensuring the motor operates correctly and safely.

Conclusion

Conclusion: Understanding 2-speed motor wiring diagrams is essential for anyone working with these motors. These diagrams provide valuable information about how the motor operates, including motor control, voltage configurations, and circuitry arrangements. By familiarizing yourself with these diagrams, you can troubleshoot motor issues more effectively and ensure the motor operates safely and efficiently.

Conclusion:

Thank you for exploring our comprehensive guide on 2 Speed Motor Wiring Diagram. We hope you found valuable insights into the intricacies of wiring diagrams and schematics related to 2-speed motors. Understanding the principles behind motor control, voltage configurations, and circuitry arrangements can empower you in troubleshooting, repairs, or installations involving 2-speed motors. Whether you're a seasoned professional or an enthusiast seeking to deepen your understanding, our article aims to provide a foundational knowledge base to support your endeavors in the field of electrical engineering and maintenance.As you continue your journey in exploring 2-speed motor wiring diagrams

Keyword:2 Speed Motor Wiring Diagram

Related Keywords:Safety, Electrical Systems, Industrial Applications, Repairs, Thank you for exploring our comprehensive guide on 2 Speed Motor Wiring Diagram. We hope you found valuable insights into the intricacies of wiring diagrams and schematics related to 2-speed motors. Understanding the principles behind motor control, voltage configurations, and circuitry arrangements can empower you in troubleshooting, or installations involving 2-speed motors. Whether you're a seasoned professional or an enthusiast seeking to deepen your understanding, our article aims to provide a foundational knowledge base to support your endeavors in the field of electrical engineering and maintenance.As you continue your journey in exploring 2-speed motor wiring diagrams and related topics, we encourage you to stay informed and engaged. Keep abreast of industry developments, advancements in motor technology, and emerging best practices. Remember, a thorough understanding of wiring diagrams and schematics is essential for ensuring optimal performance, and efficiency in various industrial and commercial applications. We appreciate your interest and commitment to learning, and we look forward to continuing to provide valuable resources to support your endeavors in the future.Keywords: Motor Wiring, Speed Diagram, Circuitry Arrangements


0 komentar