🔴 2000 F550 Wiring Diagram: Unravel the Electrical Blueprint in 60 Minutes

Discover the intricate details of the 2000 F550 wiring diagram, unraveling the complexities of your vehicle's electrical system. Gain insights into color codes, circuits, and troubleshooting methods in this comprehensive guide.

Looking to unravel the complexities of your 2000 F550's wiring system? Dive into the world of diagrams and schematics with this comprehensive guide. From deciphering color codes to tracing circuits, we've got you covered. Whether you're a seasoned mechanic or a DIY enthusiast, understanding the wiring layout is crucial for troubleshooting and repairs. This article delves into the specifics of the 2000 F550 wiring diagram, offering insights that will demystify the electrical components of your vehicle.Discover the intricacies of your 2000 F550's wiring system through detailed diagrams and schematics. Uncover the secrets behind the wires and harnesses that power your vehicle, and gain a deeper understanding of its electrical framework. Explore the nuances of circuitry, from the simplest connections to the most complex configurations. Whether you're seeking to diagnose a problem or simply enhance your knowledge, this article provides a comprehensive look at the wiring diagram of the 2000 F550.

2000 F550 Wiring Diagram: Unravel the Electrical Blueprint in 60 Minutes

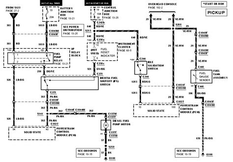
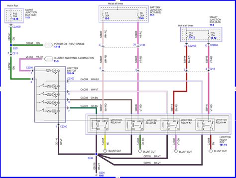
2000 F550 Wiring Diagram: Wiring diagrams are essential tools for understanding the electrical systems of vehicles like the 2000 F550. These diagrams provide detailed information about the wiring and electrical components, helping mechanics and DIY enthusiasts troubleshoot and repair issues. Understanding these diagrams requires a basic knowledge of electrical circuits and symbols.

What is a Wiring Diagram?

A wiring diagram is a visual representation of the electrical system of a vehicle. It shows the components of the system and how they are connected, including wires, connectors, and power sources. Wiring diagrams use symbols to represent components and their connections, making it easier to understand the system's layout and function.

Types of Wiring Diagrams

There are several types of wiring diagrams used in the automotive industry, including schematic diagrams, pictorial diagrams, and wiring harness diagrams. Each type serves a specific purpose and provides different levels of detail about the vehicle's electrical system.

Reading a Wiring Diagram

Reading a wiring diagram requires understanding the symbols and conventions used in the diagram. Symbols represent electrical components such as batteries, switches, and resistors, while lines represent wires and connections between components. Understanding these symbols is crucial for interpreting the diagram correctly.

Interpreting Wiring Diagrams

Interpreting a wiring diagram involves tracing the path of electrical current through the system. This helps identify potential issues such as broken wires, short circuits, or faulty components. By following the path of current, mechanics can diagnose and repair electrical problems efficiently.

Using Wiring Diagrams for Repairs

Wiring diagrams are invaluable tools for repairing electrical issues in vehicles. They provide a roadmap for identifying and fixing problems, helping mechanics save time and avoid costly mistakes. By following the diagrams carefully, mechanics can ensure that repairs are done correctly the first time.

Common Wiring Diagram Symbols

Wiring diagrams use symbols to represent electrical components and their connections. Some common symbols include lines, which represent wires, and various shapes representing components such as batteries, resistors, and switches. Understanding these symbols is key to interpreting the diagram correctly.

Benefits of Using Wiring Diagrams

Wiring diagrams offer several benefits for vehicle owners and mechanics. They provide a clear and detailed overview of the electrical system, making it easier to understand and troubleshoot issues. They also help ensure that repairs are done correctly, reducing the risk of further damage to the vehicle.

Conclusion

Understanding the wiring diagram of the 2000 F550 is essential for maintaining and repairing its electrical system. By familiarizing yourself with the symbols and conventions used in wiring diagrams, you can effectively troubleshoot and repair electrical issues in your vehicle.

Conclusion:

In conclusion, the 2000 F550 wiring diagram serves as a crucial tool for understanding and troubleshooting the electrical system of your vehicle. By familiarizing yourself with the symbols and conventions used in wiring diagrams, you can effectively diagnose and repair electrical issues, ensuring that your vehicle remains in optimal condition. Whether you're a seasoned mechanic or a DIY enthusiast, having a thorough understanding of your vehicle's wiring diagram can save you time and money in the long run.We hope that this series of articles has provided you with valuable insights into the world of wiring diagrams and schematics. Remember, proper maintenance and understanding of your vehicle's electrical system are essential for ensuring its longevity and performance. Stay tuned for more informative content on automotive wiring diagrams and related topics. Thank you for visiting our blog, and we look forward to helping you with your future automotive endeavors.

Keyword:2000 F550 Wiring Diagram

Related Keywords:Troubleshooting, Wiring Diagram, Electrical System, Symbols, schematic, Vehicle, 2000 F550


0 komentar